24小时
客服电话:
0371-65358676
网站首页
关于德宝
GPS车载终端
GPS部分案例
招商加盟
GPS应用方案
GPS常见问题
新闻中心
当前位置:
首页
>>
新闻中心
>>
行业新闻
>> 详细内容
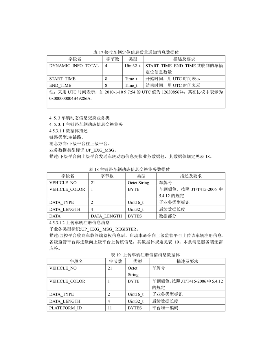
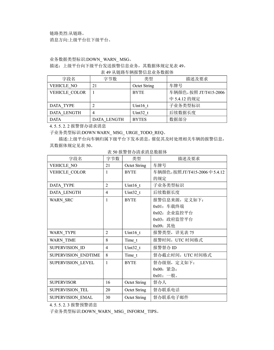
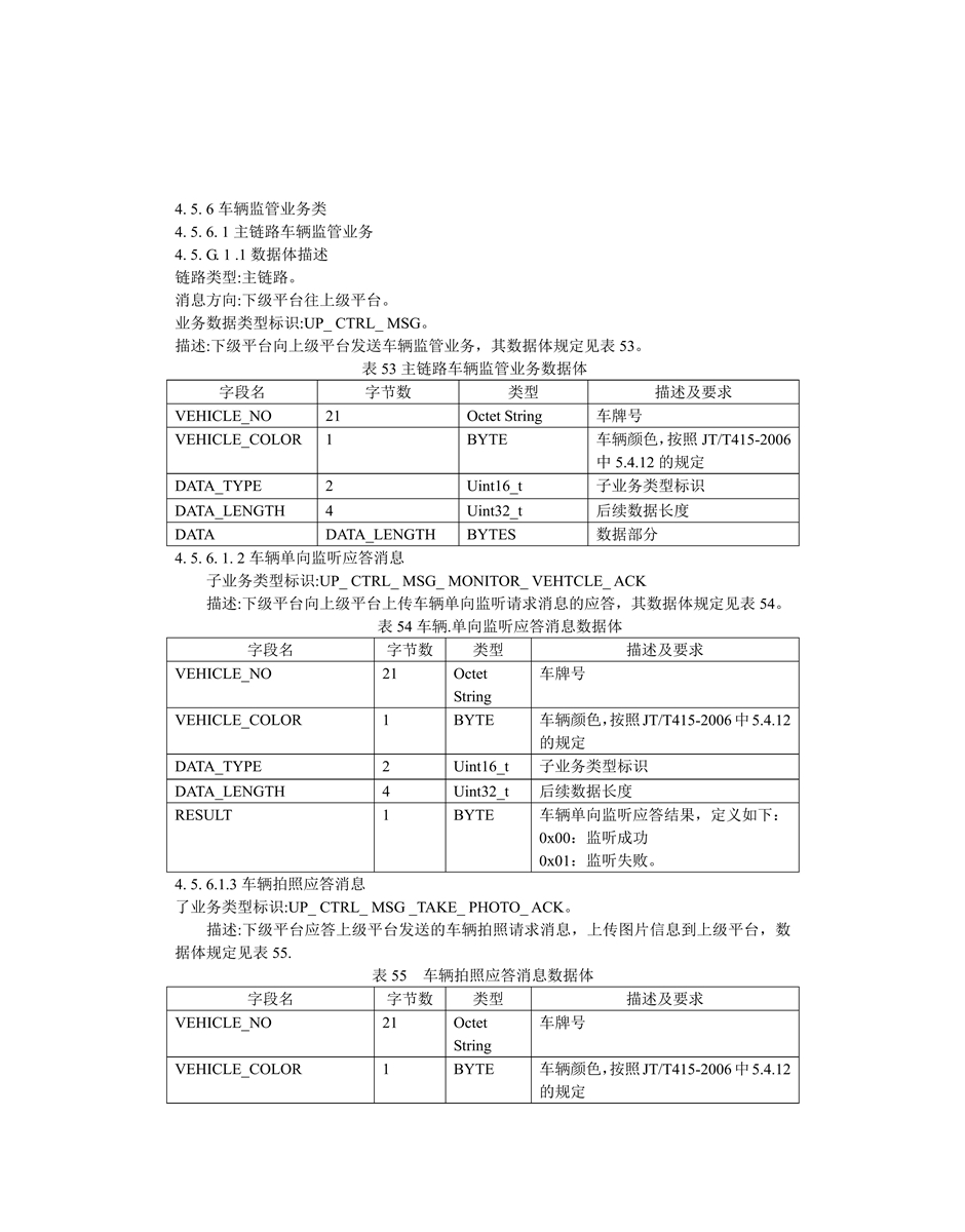
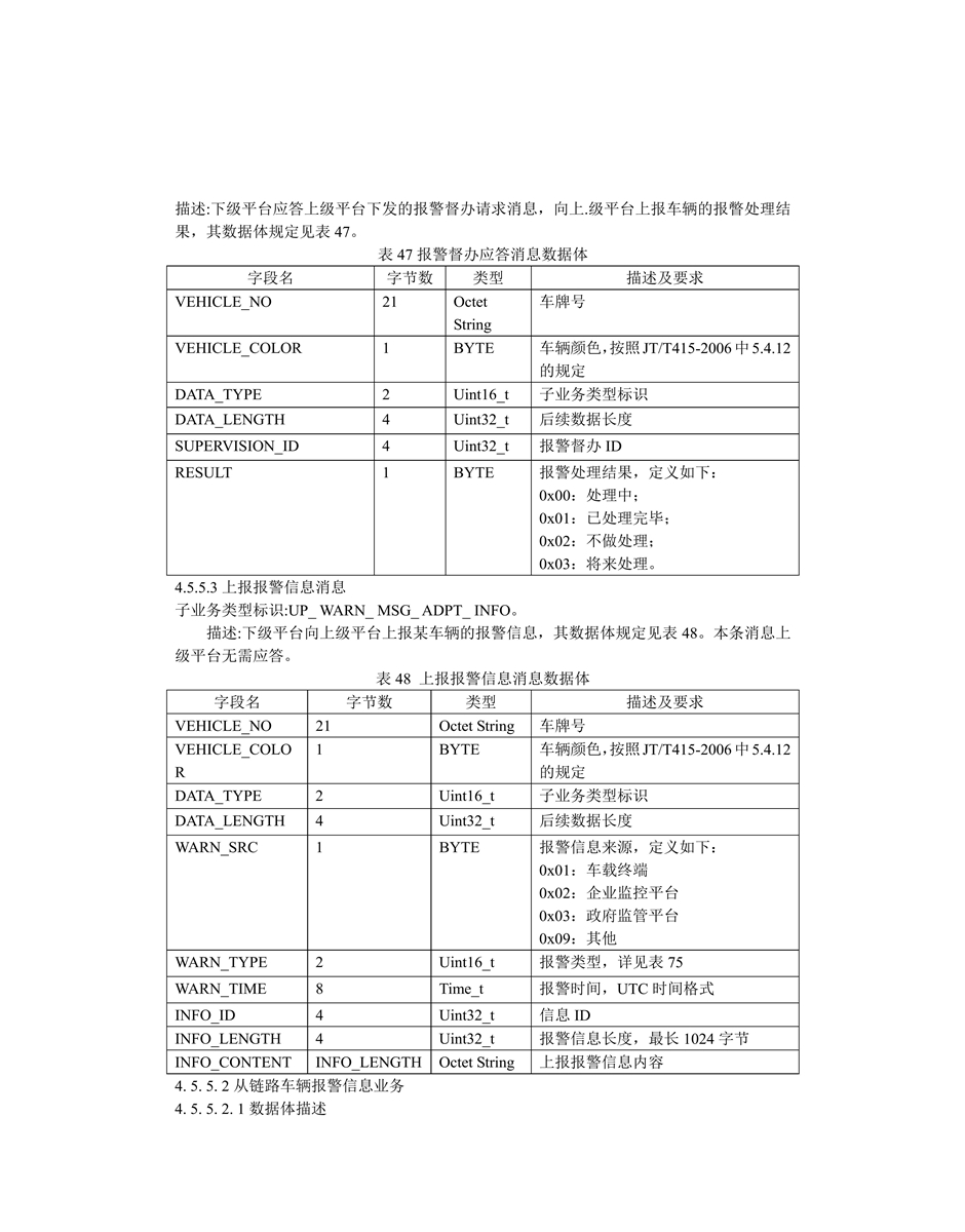
JT/T809-2011道路运输车辆卫星定位系统(平台数据交换)
发布时间:2022-06-18 作者:admin
JT/T809-2011道路运输车辆卫星定位系统(平台数据交换)
上一篇:
道路运输车辆卫星定位系统--协议补充(JT T808、809-2011)
下一篇:
JT/T808-2019道路运输车辆卫星定位系统(终端技术规范)
Copyright ©2008-2018 www.zzdbgps.com All
Rights Reserved. 郑州德宝电子科技有限公司 版权所有
备案号: 豫ICP备12009244号-1 技术支持:永易搜科技
首页
短信
电话呼叫