24小时
客服电话:
0371-65358676
网站首页
关于德宝
GPS车载终端
GPS部分案例
招商加盟
GPS应用方案
GPS常见问题
新闻中心
当前位置:
首页
>>
新闻中心
>>
行业新闻
>> 详细内容
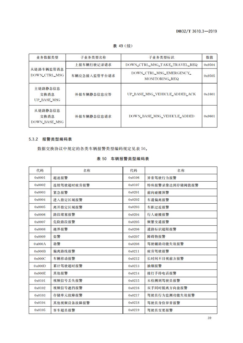
江苏省 DB32T3610.3-2019 道路运输车辆主动安全智能防控系统(通信协议规范)
发布时间:2023-05-14 作者:admin
上一篇:
北京市 道路运输车辆智能视频监控报警装置技术规范
下一篇:
北京市 道路运输车辆智能视频监控报警系统平台技术规范
Copyright ©2008-2018 www.zzdbgps.com All
Rights Reserved. 郑州德宝电子科技有限公司 版权所有
备案号: 豫ICP备12009244号-1 技术支持:永易搜科技
首页
短信
电话呼叫